氮化鎵(GaN)和碳化硅(SiC)的區別在哪里?這篇指南送給你
幾十年來,硅一直主導著晶體管世界。但這種情況已在逐漸改變。由兩種或三種材料組成的化合物半導體已被開發出來,提供獨特的優勢和卓越的特性。例如,有了化合物半導體,我們開發出了發光二極管(LED)。一種類型是由砷化鎵(GaAs)和磷砷化鎵(GaAsP)組成。其他的則使用銦和磷。
問題是,化合物半導體更難制造,也更貴。然而,與硅相比,它們具有顯著的優勢。新的更高要求的應用,如汽車電氣系統和電動汽車(EVs),正發現化合物半導體能更好地滿足其嚴格的規格要求。
氮化鎵(GaN)和碳化硅(SiC)功率晶體管這兩種化合物半導體器件已作為方案出現。這些器件與長使用壽命的硅功率橫向擴散金屬氧化物半導體(LDMOS) MOSFET和超級結MOSFET競爭。GaN和SiC器件在某些方面是相似的,但也有很大的差異。本文對兩者進行了比較,并提供了一些實例,以助您為下一個設計做決定。

圖1.顯示了流行的高壓、大電流晶體管和其他器件的功率能力與開關頻率的關系,以及主要的應用。
寬禁帶半導體
化合物半導體被稱為寬禁帶(WBG)器件。若不評介晶格結構、能級和其他令人頭疼的半導體物理學,我們只說WBG的定義是一個試圖描述電流(電子)如何在化合物半導體中流動的模型。
WBG化合物半導體具有較高的電子遷移率和較高的帶隙能量,轉化為優于硅的特性。由WBG化合物半導體制成的晶體管具有更高的擊穿電壓和對高溫的耐受性。這些器件在高壓和高功率應用中比硅更有優勢。

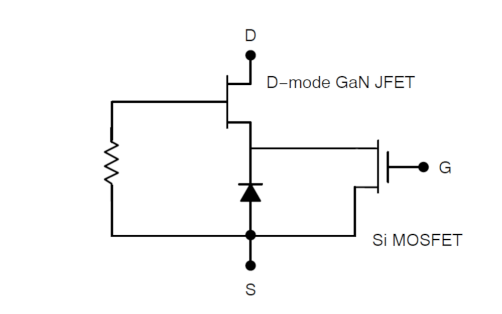
圖2. 雙裸片雙場效應管(FET)級聯電路將GaN晶體管轉換為常關斷器件,實現了大功率開關電路中的標準增強型工作模式
與硅相比,WBG晶體管的開關速度也更快,可在更高的頻率下工作。更低的“導通”電阻意味著它們耗散的功率更小,從而提升能效。這種獨特的特性組合使這些器件對汽車應用中一些最嚴苛要求的電路具有吸引力,特別是混合動力和電動車。
GaN和SiC晶體管正變得唾手可得,以應對汽車電氣設備的挑戰。GaN和SiC器件的主要賣點是這些優勢:
高電壓能力,有650 V、900 V和1200 V的器件。
更快的開關速度。
更高的工作溫度。
更低導通電阻,功率耗散最小,能效更高。
GaN晶體管
在射頻(RF)功率領域,GaN晶體管被發現有早期的商機。該材料的本質使耗盡型場效應晶體管(FET)得以發展。耗盡型(或D型)FET被稱為假態高電子遷移率晶體管(pHEMT),是天然“導通”的器件;由于沒有門極控制輸入,存在一個自然的導通通道。門極輸入信號控制通道的導通,并導通和關斷該器件。
由于在開關應用中,通常“關斷”的增強型(或E型)器件是首選,這導致了E型GaN器件的發展。首先是兩個FET器件的級聯(圖2)?,F在,標準的e型GaN器件已問世。它們可以在高達10兆赫頻率下進行開關,功率達幾十千瓦。
GaN器件被廣泛用于無線設備中,作為頻率高達100 GHz的功率放大器。一些主要的用例是蜂窩基站功率放大器、軍用雷達、衛星發射器和通用射頻放大。然而,由于高壓(高達1,000 V)、高溫和快速開關,它們也被納入各種開關電源應用,如DC-DC轉換器、逆變器和電池充電器。
SiC晶體管
SiC晶體管是天然的E型MOSFET。這些器件可在高達1 MHz的頻率下進行開關,其電壓和電流水平遠高于硅MOSFET。最大漏源電壓高達約1,800 V,電流能力為100安培。此外,SiC器件的導通電阻比硅MOSFET低得多,因而在所有開關電源應用(SMPS設計)中的能效更高。一個關鍵的缺點是它們需要比其他MOSFET更高的門極驅動電壓,但隨著設計的改進,這不再是缺點。
SiC器件需要18至20伏的門極電壓驅動,導通具有低導通電阻的器件。標準的Si MOSFET只需要不到10伏的門極就能完全導通。此外,SiC器件需要一個-3至-5 V的門極驅動來切換到關斷狀態。不過,專用門極驅動IC已被開發出來滿足這一需要。SiC MOSFET通常比其他替代品更貴,但其高壓、高電流的能力使它們很適合用于汽車電源電路。
WBG晶體管的競爭
GaN和SiC器件都與其他成熟的半導體競爭,特別是硅LDMOS MOSFET、超級結MOSFET和IGBT。在許多應用中,這些老的器件正逐漸被GaN和SiC晶體管所取代。
例如,在許多應用中,IGBT正在被SiC器件取代。SiC器件可在更高的頻率下開關(100千赫+與20千赫),從而允許減少任何電感或變壓器的尺寸和成本,同時提高能效。此外,SiC可以比GaN處理更大的電流。
總結GaN與SiC的比較,以下是重點:
GaN的開關速度比Si快。
SiC工作電壓比GaN更高。
SiC需要高的門極驅動電壓。
超級結MOSFET正逐漸被GaN和SiC取代。SiC似乎是車載充電器(OBC)的最愛。隨著工程師們發現較新的器件并獲得使用經驗,這種趨勢無疑將持續下去。
汽車應用
許多功率電路和器件可用GaN和SiC進行設計而得到改善。最大的受益者之一是汽車電氣系統。現代混合動力車和純電動車含有可使用這些器件的設備。其中一些流行的應用是OBC、DC-DC轉換器、電機驅動器和激光雷達(LiDAR)。圖3指出了電動車中需要高功率開關晶體管的主要子系統。

圖3. 用于混合動力車和電動車的WBG車載充電器(OBC)。交流輸入經過整流、功率因數校正(PFC),然后進行DC-DC轉換(一個輸出用于給高壓電池充電,另一個用于給低壓電池充電)。
DC-DC轉換器。這是個電源電路,將高的電池電壓轉換為較低的電壓,以運行其他電氣設備?,F在電池的電壓范圍高達600伏或900伏。DC-DC轉換器將其降至48伏或12伏,或同時降至48伏和12伏,用于其他電子元件的運行(圖3)。在混合動力電動車和電動車(HEVEVs)中,DC-DC也可用于電池組和逆變器之間的高壓總線。
車載充電器(OBCs)。插電式HEVEV和EVs包含一個內部電池充電器,可以連接到交流電源上。這樣就可以在家里充電,而不需要外部的AC? DC充電器(圖4)。
主驅電機驅動器。主驅電機是高輸出的交流電機,驅動車輛的車輪。驅動器是個逆變器,將電池電壓轉換為三相交流電,使電機運轉。
LiDAR。LiDAR指的是一種結合了光和雷達方法來探測和識別周圍物體的技術。它用脈沖紅外激光掃描360度的區域,并檢測反射光。這些信息被轉化為大約300米范圍內的詳細三維圖像,分辨率為幾厘米。它的高分辨率使其成為車輛的理想傳感器,特別是自動駕駛,以提高對附近物體的識別能力。LiDAR裝置在12-24伏的直流電壓范圍內工作,該電壓來自于一個DC?DC轉換器。

圖4. 一個典型的DC-DC轉換器用于將高電池電壓轉換為12伏和/或48伏。高壓電橋中使用的IGBT正逐漸被SiC MOSFET所取代。
由于GaN和SiC晶體管具有高電壓、大電流和快速開關的特點,為汽車電氣設計人員提供了靈活和更簡單的設計以及卓越的性能。
聲明:本文版權歸原作者所有,轉發僅為更大范圍傳播,若有異議請聯系我們修改或刪除:zhangkai@cgbtek.com
COPYRIGHT北京華林嘉業科技有限公司 版權所有 京ICP備09080401號